English

용인클린룸

lcdrepair 2025.11.25 06:49 Views : 33

 

 

 

 

 

 

조인트클립 28세트

다이캐스팅브라캣 50세트  X 볼트너트 100개

이너브라켓 40용 62개

 

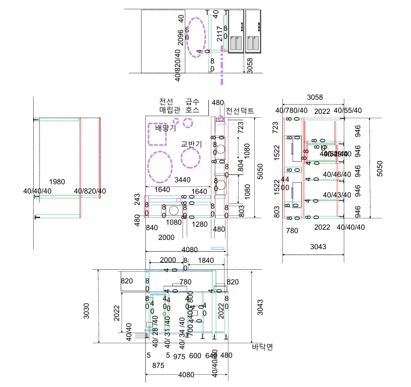
1. 녹색기둥- 총 15개

(1) 8080 2117 양탭 X 1개

(2) 8080 2102 양탭 X 1개

(3) 8080 2096 양탭 X 2개

(4) 8080 2090 양탭 X 1개

(5) 8080 2093 양탭 X 1개

(3) 8080 780

(4) 8080 780

(5) 8080 820 

(6) 8040 780 

(7) 8040 780

(8) 8040 2105 양탭

(9) 8040 2108 양탭

(10) 8040 2111 양탭

(11) 8040 2114 양탭

(12) 8040 2099 양탭

(13) 8040 2102 양탭

(14) 8040 2105 양탭

 

2. 적색 가로보- 총16개

(1)8080 5050 타공있음

(2)4080 5050 타공있음

(3)4080 803 1개 양탭

(4)4080 723 1개 양탭

(5) 4080 480x 2개 양탭

(4) 4080 804 양탭

(5)4080 1080 양탭 X 4개

(6)4080 640 타공

(7) 4080 946  X 4개

 

3. 청색 세로보- 총14개

(1) 4080 1840 X 5개 X 양탭x타공있음

 

(2) 4080 1840 x 1개 x 양탭X타공있음

 

(2) 4080 2000 X 2개X 양탭X타공있음

(3) 4080 2160 X 1개X양탭 X타공있음

(4) 4080 600X 3개- 수치변경 재확인필요

(5) 4080 1200 X 1개-수치변경 재확인필요

(6) 4080 975 x 1개- 수치변경 재확인 필요

 

4. 문짝-총10개

(1) 레일 3038  1972 1개

   레일 3038  1066 1개

(2)  미닫이

4040  980mm X2개 X타공추가-재확인필요

4040 1937mm X 2개 X 양탭추가-재확인필요

(3) 여닫이

4040 865mmX 2개 X타공추가-재확인필요

4040 1977mm X 2개 X양탭추가-재확인필요

(4) 경첩 40용 2개

(5) 문용로울러 2개

(6) 조절좌 11개

(7) 손잡이 4개

 

 

5 쫄대 20개(3m짜리)

 

5. FFU 1200X600X 3개

 

6. 아크릴커버 102미터

 

7. 고무패킹 20mm


8. 아크릴 4T

재계산된 아크릴 패널 수치 (22mm 제외)

평면도

(1-1): 358  X 458, 2장

 

(1-2): 858 X 781, 2장

 

(1-3): 578 X 1058, 4장

 

(1-4): 858 X 782, 2장

 

(1-5): 858 X 701, 2장

 

(1-6): 358 X 458, 2장

 

정면도

(2-1): 763 X 1915, 1장

 

(2-2): 1978 X 798, 1장

 

(2-3): 953 X 2000, 1장

 

(2-4): 578 X 678, 1장

 

(2-5): 578 X 778, 1장

 

(2-6): 1178 X 2000, 1장

 

우측면도

(3-1): 758 X 781, 1장

 

(3-2): 758 X 1530, 2장

 

(3-3): 758 X 701, 1장

 

(3-4): 2000 X 924, 4장

 

(3-5): 1915 X 878, 1장

 

 

 

No. Subject Author Date Views
» 용인클린룸 lcdrepair 2025.11.25 33